Serie 51300 Rodamiento de bolas de empuje
Serie 51300 Rodamiento de bolas de empuje
Serie 51300 Rodamiento de bolas de empuje

Serie 51300

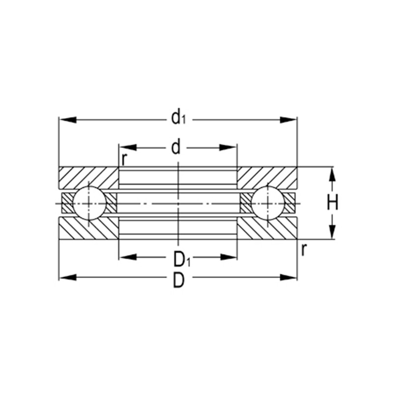
El Rodamiento de bolas de empuje de la serie 51300 es un componente mecánico de alta precisión y de alta carga que se usa ampliamente en varios tipos de equipos industriales y maquinaria. Esta serie de rodamientos utiliza un par de rodillos cónicos y un asiento de rodamiento para soportar cargas axiales y proporcionar una buena estabilidad de rotación. El diseño de los rodamientos de la serie 51300 puede reducir efectivamente la fricción durante la operación de alta velocidad, extendiendo así la vida útil. Su material es generalmente de acero de aleación de alta resistencia, lo que garantiza una excelente resistencia al desgaste y resistencia a la fatiga. Además, este tipo de rodamiento es fácil de instalar y mantener, y es adecuado para maquinaria automotriz, aeroespacial, pesada y otros campos.

Enviar consulta

Rodamiento de bolas de empuje de la serie 51300: alta capacidad de carga y durabilidad

Rodamientos de bolas de empuje de la serie 51300 son rodamientos de precisión diseñados para altas cargas axiales. Son adecuados para escenarios industriales que necesitan soportar cargas pesadas en una dirección y velocidades moderadas. Los procesos de tratamiento térmico avanzado y acero de alta calidad aseguran una larga vida útil, baja fricción y rendimiento estable. Son la elección de maquinaria pesada, sistemas de transmisión automotriz y equipos industriales.

Características :
Diseño liviano: estructura liviana para una fácil instalación y mantenimiento.
Ranja ranurada: asegura un rodamiento suave de la pelota durante la operación, reduciendo la fricción y el desgaste.
Capacidad de carga axial unidireccional: adecuada para aplicaciones con fuerza axial unidireccional.
Rendimiento de alta velocidad: en condiciones de lubricación de aceite, se puede lograr un límite de velocidad más alto.
Opciones de tamaño múltiple: cubriendo una variedad de tamaños para cumplir con diferentes requisitos de aplicación.

Capacidad de carga ultra alta
Con un diseño de vía de pista reforzada, la capacidad de carga axial se incrementa en un 20% en comparación con el modelo estándar, adecuado para entornos de alta presión, como máquinas de estampado y cajas de cambios.

Proceso de fabricación de precisión
Alta precisión GR.10 Bolas de acero Poldillas de espejo, coeficiente de fricción 35% menor, reducido de consumo de energía y aumento de temperatura.

Durabilidad a largo plazo
Tratamiento de fosfación de superficie El recubrimiento contra la rominación, la resistencia a la corrosión cumple con los estándares ISO 9001, y la vida se extiende en un 50% en condiciones de trabajo duras.

Adaptabilidad flexible
Una variedad de tamaños (series 51300-51400) y opciones personalizadas (como el espacio libre C3, la cubierta de sellado) están disponibles para que coincidan con diferentes requisitos de equipos.

Ejemplos de solicitud:
Sistema de puertas correderas: se utiliza para el posicionamiento axial de las puertas para garantizar un funcionamiento suave de las puertas.
Maquinaria industrial: utilizado para el soporte axial de equipos giratorios para mejorar la estabilidad y la vida del equipo.
Maquinaria de construcción: como grúas, excavadoras, etc., utilizada para soportar fuertes fuerzas axiales.
Piezas automotrices: se usa para el posicionamiento axial de puertas, techo solar y otras partes.

Preguntas frecuentes

P1: ¿Pueden los rodamientos 51300 reemplazar marcas importadas similares?
→ ¡Sí! Nuestros rodamientos han pasado la prueba de parámetros SKF/FAG, con un rendimiento comparable y precios más competitivos.

P2: ¿Hay un modelo de alta temperatura?
→ Acero de alta temperatura (200 ° C) o versión de lubricación sólida disponible, comuníquese con el equipo técnico para obtener más detalles.

P3: ¿Cómo determinar la dirección de instalación del rodamiento?
→ La carrera de rodamientos está marcada con una flecha "↑" para indicar la dirección de la fuerza axial, o consulte la guía de instalación provista de los productos.

Parámetros del producto

Designación Dimensiones principales (mm) Calificaciones de carga básicas (KN) Velocidad limitada (RPM) Peso
d D T Dinámica (CR) Estático (cor) Grasa Aceite (kg)
51305 25 52 18 35.5 61.5 3000 4300 0.17
51306 30 60 21 42.8 78.5 2400 3600 0.26
51307 35 68 24 55.2 105 2000 3200 0.37
51308 40 78 26 69.2 135 1900 3000 0.53
51309 45 85 28 75.8 150 1700 2600 0.66
51310 50 95 31 96.5 202 1600 2400 0.92
51311 55 105 35 115 242 1500 2200 1.28
51312 60 110 35 118 262 1400 2000 1.37
51313 65 115 36 115 262 1300 1900 1.48
51314 70 125 40 148 340 1200 1800 1.98
51315 75 135 44 162 380 1100 1700 2.58
51316 80 140 44 160 380 1000 1600 2.69
51317 85 150 49 208 495 950 1500 3.47
51318 90 155 50 205 495 900 1400 3.69
51320 100 170 55 235 595 800 1200 4.86

sobre yinin

Shanghai Yinin Bearing & Transmission Company se fundó en 2009 y tiene más de 20 años de experiencia en el campo de los rodamientos. Somos Porcelana Serie 51300 Rodamiento de bolas de empuje fabricante y proporcionar por encargo Serie 51300 Rodamiento de bolas de empuje fábrica. Desde 1999, a partir de la representación de fabricantes de rodamientos en China, hemos exportado diferentes tipos de rodamientos. Actualmente, estamos desarrollando un grupo completo de ventas y fabricación de rodamientos.

Aplicaciones industriales

Utilizado en ejes de transmisión de maquinaria agrícola, sistemas de dirección, sistemas de suspe...

Se utiliza en compresores de nueva energía, motores de accionamiento, cajas reductoras y otras pi...

Se utiliza para soporte, altura, ángulo, juntas y piezas giratorias de equipos médicos.

Se utiliza para piezas de soporte, rotación, motor y compresor de electrodomésticos.

Se utiliza para la rotación y movimiento de piezas de soporte y guía de equipos de automatización...

En estructuras de construcción, se pueden utilizar cojinetes para conectar diferentes componentes...

En el proceso de producción de alimentos y bebidas se necesitan bombas para transportar líquidos ...

Los rodamientos se utilizan en motores de aviones y naves espaciales para soportar componentes gi...

Engranajes de transmisión internos, ejes, mecanismos de dirección y manguetas de dirección para v...

Contacta con nosotros

ENVIAR